+8618117273997weixin
English
中文简体 中文简体 en English ru Русский es Español pt Português tr Türkçe ar العربية de Deutsch pl Polski it Italiano fr Français ko 한국어 th ไทย vi Tiếng Việt ja 日本語

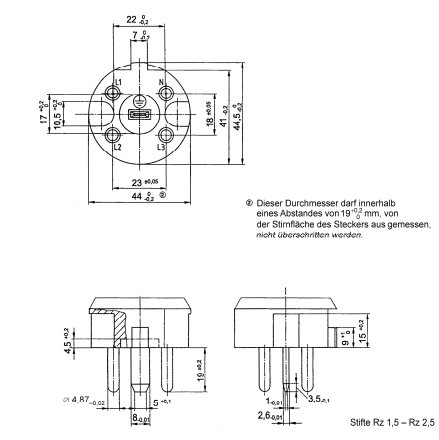
DIN-VDE 0620-1-Lehre 16b Lehre zur Prüfung der größten Abzugskraft des Steckers 3P + N + AC 400/230 V 16 A

Product No: GNGPL-6216b

Leave a Message

=
  • Description
  • This DIN-VDE 0620-1-Lehre 16b Lehre zur Prüfung der größten Abzugskraft des Steckers 3P + N + AC 400/230 V 16 A is specifically designed to test the maximum withdrawal force of 3P + N + PE AC 400/230 V 16 A plugs, strictly adhering to the requirements of the DIN VDE 0620 series standards. It serves as a key quality and safety verification tool for plugs and matching fixed sockets used in household and similar applications, ensuring that the plug maintains a secure connection with the socket during use and preventing accidental disconnection that could lead to electrical hazards or equipment malfunctions.

    Specifications:
    • Complies with DIN VDE 0620-1 and DIN VDE 0620-2-1:2021-02 standards
    • Applicable plug type: 3P + N + PE, AC 400/230 V 16 A
    • Pin roughness: Rz 1.5 – Rz 2.5
    • Dimensions: 23±0.05; 4.87-0.02; 5+0.1; 3.5; 8.0±0.01; 2.6±0.01
    • Critical dimension requirement: The specified diameter shall not be exceeded when measured 19 mm from the plug’s front face
    • Materials:
    – Handle: Insulating material (type selected by the manufacturer)
    – Body and pins: Hardened stainless steel
    – Additional components: Insulating material (type selected by the manufacturer)

    Test Procedures:
    • Prepare the 3P + N + PE AC 400/230 V 16 A plug and matching socket under test, ensuring both are in normal, unused condition.
    • Insert the plug fully into the socket in accordance with the intended use to ensure a proper connection.
    • Secure the socket firmly to prevent movement during the test.
    • Attach the gauge to the plug correctly, aligning with the force application direction specified by the standard.
    • Apply a gradually increasing pulling force to the plug via the gauge, maintaining a steady and uniform force application rate.
    • Continuously monitor and record the maximum force required to disconnect the plug from the socket.
    • Compare the recorded maximum withdrawal force with the standard’s specified requirements to determine if the plug meets compliance criteria.

    Applications:
    • Quality testing of 3P + N + PE AC 400/230 V 16 A plugs during manufacturing processes.
    • Compliance verification for plugs used in household, commercial, and industrial electrical systems.
    • Matching testing between plugs and fixed sockets to ensure secure connection performance.
    • Conformity assessment by certification bodies and third-party testing laboratories.
    • R&D and design optimization for plug manufacturers, validating the reliability of connection mechanisms.
    • Routine quality audits and batch inspection in electrical equipment production facilities.
    • Safety performance testing for electrical systems in residential buildings, factories, and public infrastructure.

    DIN-VDE 0620-1-Lehre 16b Lehre zur Prüfung der größten Abzugskraft des Steckers 3P + N + AC 400/230 V 16 A

    DIN-VDE 0620-1-Lehre 16b Lehre zur Prüfung der größten Abzugskraft des Steckers 3P + N + AC 400/230 V 16 A

    Tags: